Κλαίς. Ωραία; Χύνεις δάκρυα. Τι νόμιζες; Ότι βρέξει-χιονίσει τα δάκρυά σου είναι τα ίδια; Πως όταν κλαίς επειδή η ομαδάρα σου πήρε πρωτάθλημα είναι μια η άλλη με το κλάμα λόγω των κρεμμυδιών που καθαρίζεις για να ρίξεις στα φασολάκια; Τι λες αγάπη μου; Σε γελάσανε! Τα δάκρυά σου διαφέρουν κατά περίσταση. Εδώ μιλάει η Eπιστήμη!
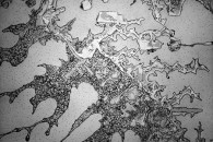
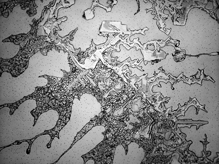
Η Rose-Lynn Fisher αποφάσισε κάποια στιγμή να αρχίσει να μελετά τα δάκρυά της στο μικροσκόπιο. Μελέτησε πάνω από 100 διαφορετικά δάκρυα και τι βρήκε; Ανάλογα με τον λόγο για τον οποίο έκλαιγε, τα δάκρυά της ήταν διαφορετικά! Κάπως έτσι εμπνεύστηκε για το project της το οποίο και ονόμασε The Topography of Tears (Η τοπογραφία των δακρύων).
Όπως εξήγησε ο Joseph Stromberg του Smithsonian’s Collage of Arts and Sciences, τα ανθρώπινα δάκρυα χωρίζονται σε τρεις μεγάλες κατηγορίες: βασικά, αντανακλαστικά και ψυχικά. Όλα τους περιέχουν οργανικές ουσίες συμπεριλαμβανομένων αντισωμάτων και ενζύμων, ωστόσο κατηγορία από κατηγορία διαφέρει ως προς τα μόρια. Τα δάκρυα που παράγονται λόγω συναισθημάτων π.χ. περιέχουν ορμόνες που βασίζονται σε πρωτεΐνες συμπεριλαμβανομένης και της εγκεφαλίνης, ενός φυσικού καταπραϋντικού που εκκρίνει ο οργανισμός όταν κυριεύεται από στρες. Όπως προσθέτουν δε και άλλοι ειδικοί, οι μεταβλητές που χαρακτηρίζουν ένα δάκρυ είναι πολλές: η χημεία, το ιξώδες, ο ρυθμός εξάτμισης, το υπόβαθρο, ακόμα και οι ρυθμίσεις του μικροσκοπίου.
Στις εικόνες που ακολουθούν θα πάρεις μια γεύση των όσων σου λέμε…








